
Acoplamento Elemento Elástico EZB VULKAN
EZR – EZR - acoplamento de borracha altamente flexível para aplicações industriais
O acoplamento de borracha altamente flexível EZR é um acoplamento com revestimento de tecido de borracha completamente flexível. O material de revestimento garante uma excelente solidez. O acoplamento pode ser usado sempre que for necessária uma conexão flexível entre duas peças rotatórias da máquina quase coaxiais.
Design do EZR
O design do elemento flexível do EZR com propriedades de rigidez progressiva melhora a coordenação da frequência de ressonância e, consequentemente, as cargas dinâmicas, em particular em transmissões de eixos. O material de revestimento sintético garante uma excelente solidez. O design modular do acoplamento de borracha permite sua adaptação a diversos conectores. O EZR também conta com excelentes propriedades de absorção de impacto.
Keep accordion, only remove subitem “Design”, otherwise duplicate!
São acoplamentos altamente flexíveis, compostos por um tecido de borracha flexível e versátil, garantindo excelente solidez.
Marca: VULKAN
EZ, EZR, EZS, EZB®
Elemento, tecido de borracha altamente flexível para aplicações industriais.
O Acoplamento altamente flexível EZR, EZB® é composto de tecido de borracha flexível e versátil, garante excelente solidez;
Eles podem ser usados sempre que for necessária uma conexão flexível entre duas peças rotativas aproximadamente coaxiais da máquina;
Uso
Transmissão Marítima e Industrial;
Compressores, modelo BDC 2 29 1/2X17 1/2 X10 1/2
Fabricante: WORTHINGTON
Material
Borracha Flexível
Design EZR, EZB®
O design do elemento flexível EZR, EZB® com propriedades de rigidez progressivas melhora a coordenação das frequências de ressonância e, consequentemente, das cargas dinâmicas – em particular em transmissões e eixos.
O design modular do acoplamento permite adaptá-lo a diversos conectores. O EZR, EZB® também apresenta excelentes propriedades de absorção de choque.
Fornecemos os Elementos de reposição de alta qualidade para Acoplamentos de torção Vulkan Series EZ, EZB, EZR, EZS.
A linha de Acoplamentos e Elementos EZB é reconhecida há muito tempo por sua durabilidade, características de amortecimento e facilidade de substituição;
Eficiência
Alto grau de isolamento de vibrações torcionais;
Alta capacidade de desalinhamento com baixas forças de reação;
Propriedade de isolamento elétrico;
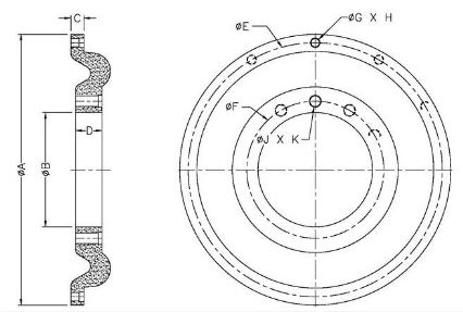
Tamanho dos Elementos Comercializados:
Para melhor identificação do Elemento, favor informar os dimensionais:

Item 7 = Elemento EZB Vulkan
